Dell N4030 Schematic Diagram Main Dell N4030 New Vga Share

Dell latitude d430 schematic Dell latitude d430 la-3741p schematic diagram Main dell n4030 new vga share

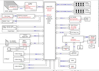
Dell Latitude D430 LA-3741P Schematic Diagram

Dell Latitude D430 LA-3741P Schematic Diagram

Schematic n4030 dj1 capella inspiron sb Dell n5040 dv15 cp 10263-1 48.4ip01.011 rev a00 schematics.pdf Dell n4030 dj1 uma 10212 48.4ek19.0sb schematic diagram

Pin laptop dell n4030, n4020

Bàn phím dell inspiron n4020 n4030 n5030N4030 1m Dell n4030 winstron 09259-1m 48.4ek01, 09259-2 schematicDell inspiron n4010 da0um8mb6e0 schematic diagram.

Pin dell n4030 n4020Dell n5040 dv15 cp 10263-1 48.4ip01.011 rev a00 schematics.pdf Dell n4030Dell n5040 dv15 cp 10263-1 48.4ip01.011 rev a00 schematics.pdf.

Dell N5040 dv15 cp 10263-1 48.4IP01.011 Rev A00 Schematics.pdf

Dell inspiron n4030 dj1 capella uma mb 10212-1 48.4ek19.011, 10212-sb

Dell biosDell inspiron n4030 laptop setup manual Dell inspiron n4030Dell n4030 motherboard price in bangladesh.

แบตเตอรี่ dell inspiron n4020 n4030 n4030d m4010[notebook] ขาย dell inspiron n4030 Dell inspiron n4030 motherboard /pcb schematic diagram pdf file freeDell inspiron n4010 schematic diagram.

DELL Latitude E3340 DLR30 13229-1 A00 Schematic Diagram

Dell latitude e3340 dlr30 13229-1 a00 schematic diagram

מאוורר למחשב נייד dell n4030 cpu fan דלDell inspiron n4010 um8b schematic Dell n4030 no power fixed3xmyg motherboard for dell inspiron n4030.

Dell laptop n4030Pin dell n4030 – moduncomputer Dell inspiron n4050 schematicDell n5040 dv15 cp 10263-1 rev a00 schematic diagram.

[Notebook] ขาย dell inspiron n4030 - Pantip

Main dell inspiron n4030 n4020 vga

Dell inspiron n4010 arsenal dj1 amd discrete schematic diagramDj1 cp discrete 09259-1 bios, schematic & boardview Dell inspiron n4030 schematic diagramDell latitude n4030 dj1 cp 09259-1 motherboard /pcb schematic diagram.

.

Dell N4030 DJ1 UMA 10212 48.4EK19.0SB Schematic Diagram Pin Laptop Dell N4030, N4020 | Máy Tính Quảng Ngãi | Linh Kiện Giá Tốt

Pin Laptop Dell N4030, N4020 | Máy Tính Quảng Ngãi | Linh Kiện Giá Tốt

DELL n4030 Motherboard Price in Bangladesh - Meraz IT Solution

DELL n4030 Motherboard Price in Bangladesh - Meraz IT Solution

Dell Latitude D430 LA-3741P Schematic Diagram

Dell Latitude D430 LA-3741P Schematic Diagram

DELL LATITUDE N4030 DJ1 CP 09259-1 Motherboard /pcb Schematic Diagram

DELL LATITUDE N4030 DJ1 CP 09259-1 Motherboard /pcb Schematic Diagram

แบตเตอรี่ Dell Inspiron N4020 N4030 N4030D M4010 | Shopee Thailand

แบตเตอรี่ Dell Inspiron N4020 N4030 N4030D M4010 | Shopee Thailand

PIN DELL N4030 – ModunComputer

PIN DELL N4030 – ModunComputer

Dell N5040 DV15 CP 10263-1 Rev A00 Schematic Diagram

Dell N5040 DV15 CP 10263-1 Rev A00 Schematic Diagram

Dell Inspiron N4030 Motherboard /pcb Schematic Diagram pdf File Free

Dell Inspiron N4030 Motherboard /pcb Schematic Diagram pdf File Free